Vapor pressure (also known as equilibrium vapor pressure or saturation vapor pressure), is the pressure of a vapor in equilibrium with its non-vapor phases in a closed container. At a given temperature, the pressure at which a pure liquid boils is called its vapor pressure. Vapor pressures are dependent only on temperature. The vapor pressure of a pure liquid does not depend on the amount of the liquid in the container. Vapor pressures have an exponential relationship with temperature and always increase with temperature.
Investigation on vapor-liquid equilibrium of solutions can be derived from absolute vapor pressure measurements. Vapor-liquid equilibrium (VLE) data are essential for development and design of chemical processes. In the static total pressure method, the total composition in the vessel is determined by loading precise volumes of the components. The measurements are isothermal and the equilibrium pressure is measured. The amount of components in the liquid phase and the vapor phase is calculated iteratively. The static total pressure method is a fast and efficient method for determining VLE for binary mixtures with the additional advantage that the apparatus using the static total pressure method can be easily automated.
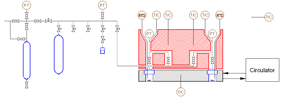
The two systems shown here feature a custom dual vessel system for the accurate determination of the saturation pressure of specialty organic materials as a function of temperature. All the associated head fittings, valves and plumbing, including the pressure transducers, are enclosed in a heated, temperature controlled, aluminum block to minimize temperature gradients and to ensure that the average system temperature closely matches the temperature of the vessels, including their screw cap closures, housed in the lower temperature controlled block. The valves and fittings are covered by an aluminum plate during normal operation of the system.






